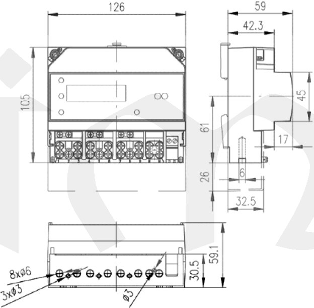
Třífázový, digitální elektroměr pro přímé měření: - přímé měření proudu do 80A - úředně ověřený elektroměr dle MID pro veškeré fakturační měření - třída přesnosti 1 - montáž na lištu DIN - velikost 7 modulů - impulsní výstup: ANO - rozhraní RS485 (protokol IEC dle 62056-21) - hmotnost 690g - LCD displej- měření energie, výkonu, napětí, proudu, účiníku... (A+,A-,R+,R-,P+,P-,Pmax,U, I, cos φ ...) - historické záznamy vybraných registrů vytvořené na konci kalendářního měsíce (maximálně 15 měsíčích záznamů (A+, A-, R+, R-, Pmax) - možnost listování historických hodnot kWh a kW na displeji - záznamy událostí (o působení magnetického pole, výpadcích napětí, narušení krytu elektroměru...) - počet událostí s datem jejich výskytu - záznam údajů profilů (Load profiles) Elektroměry umožňují měření energie v sazbách řízených interními hodinami (max. čtyři sazby) nebo ovládaných externě (dvě sazby). Naměřená data ukládaná do registrů označených dle OBIS kódů jsou zobrazená na LCD v cyklickém nebo krokovacím režimu. ?Během výpadků fázového napětí jsou data zálohována v energeticky nezávislé paměti. Elektroměry je možné parametrizovat a odečítat pomocí optické sondy typu AMOS a software AMsoft dodávaného výrobcem.
