Je využitelný pro ovládání i v oblasti klimatizační a větrací techniky. Instalace je díky kompaktnímu designu bezproblémová.
Technické specifikace
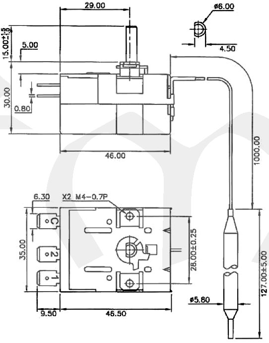
- Délka kapiláry vč. čidla 1127 mm
- Rozměry čidla (Ø x D) 5,8 x 127 mm
- Spínací diference 2 ±1 °C
- Pro klimatizační techniku
| rozměry | 56 x 35 mm |
|---|---|
| Způsob montáže | Vestavné |
| Zatížitelnost kontaktů | 250 V/16 A |
| Hystereze | 2 ±1°C |
| Typ termostatu | Vestavný termostat |
| Nastavení teploty | 0 - 50 °C |
