Pojistka kapilární MMG, TC-1B31KM, 5278

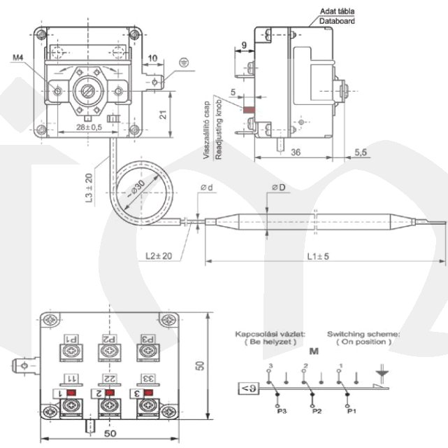
Popis, značení a rozměry všech kapilárních pojistek typů řady 5278, TC-1B31KM

Typ Vypínací teplota Průměr čidla Délka čidla Délka kapiláry Délka ochranné manžety
  (°C) (mm) (mm) (mm) (mm)
5278-0-100-1 315 ±6 4 168 inox 420 40
5278-0-102-1 220 ±6 4 168 inox 420 40
5278-0-103-1 250 ±6 6 95 inox 920 40
5278-0-103-2 240 ±6 6 95 inox 920 40
5278-0-131-2 340 ±6 4 168 inox 920 40
5278-0-117-6 135  (-10 +0) 6 117 Cu 920 320

Teplotní pojistky na poptávku emailem: eximus@eximus.cz

Popis:
Po dosažení výrobcem pevně nastavené teploty rozpínaní, pojistka automaticky přeruší elektrický obvod, čímž pojistka chrání zařízení před přehřátím, v případě poklesu teploty pojistka zůstane v rozepnutém stavu a opětovné sepnutí je možné pouze mechanicky vyškolenou obsluhou (reset tlačítko na zadní straně teplotní pojistky). Tyto teplotní pojistky jsou použitelné zejména pro bojlery na horkou vodu a pro jiné ohřívací spotřebiče jako ochranné zařízení. Je použitelná pro omezení teploty kapalných, plynných a pevných látek.

Technické údaje:
Spínání:                         3p do 16 A, 400 V
Životnost:                       1.000 sepnutí
Ochrana při dotyku:      I. (uzemněný)
Krytí:                                IP00
Připojení:                        6,3 fastony
Max. okolní teplota:        +150°C
Max. okolní tepl. čidla:   Horní vypínací hodnota + 15%
Relativní vzdušná vlhkost:  30-80%
Teplota při skladování:    5-50°C
Zabudování:                     vnitřní
Pozice použití:                 volitelná
Hmotnost:                       80 g
 

Parametry výrobku:

Délka kapiláry [cm], nebo provedení kapilární
Odkazy Příslušenství - ochranné jímky
Ke stažení: TC-1B31KM.pdf
Cena: Na dotaz!
Do košíku

Id: 13732,