Produkt byl přidán do košíku.

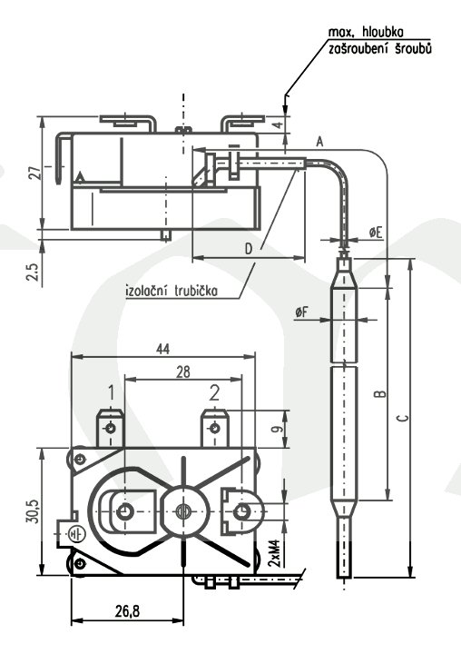
Pojistka KNTP8814.02, pevně nastavená teplota vypnutí na +190°C

Pojistka KNTP8814.02, pevně nastavená teplota vypnutí na +190°C,
Jiné nastavené teploty v rozsahu na poptávku z rozsahu +50..+320°C

Parametry výrobku:

Regulační rozsah +190 °C
Délka kapiláry [cm], nebo provedení 83
Odkazy Příslušenství - ochranné jímky
Ke stažení: teplomery_termostaty_au.pdf
Cena: 283 Kč (bez DPH)
Cena: 343 Kč včetně DPH 21 %
Do košíku

Volitelné příslušenství

Id: 12001,